Elitewood Parts
Four Seasons Building Products
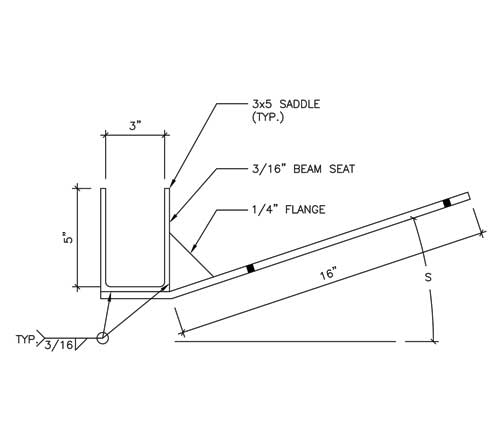
Roof mounting system for aluminum patio covers that use 3″x8″ support beams.